簡介:林肯焊機DC1500的故障診斷 1 電路結構特點及基本原理 林肯焊機DC1500按其功能可分為主電路、操作電路、控制調節系統和保護電路四大部分。 1.1 主電路及操作電路 主電路采用帶平衡電抗器的雙反星形可控硅整流電路,比起三相半波整流和三相橋式整流具有以下特點……
林肯焊機DC—1500的故障診斷
1 電路結構特點及基本原理
林肯焊機DC—1500按其功能可分為主電路、操作電路、控制調節系統和保護電路四大部分。
1.1 主電路及操作電路
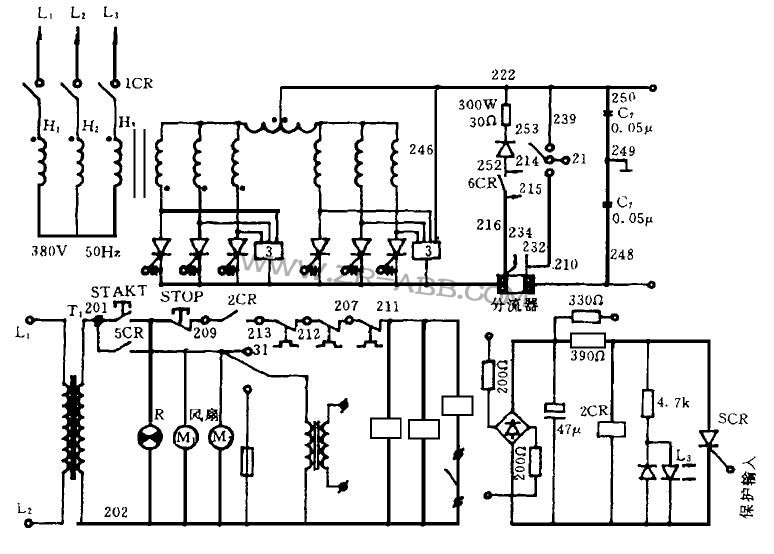
主電路采用帶平衡電抗器的雙反星形可控硅整流電路,比起三相半波整流和三相橋式整流具有以下特點:
(1)輸出電壓穩定,脈動小;
(2)消除了整流變壓器的直流磁化,變壓器二次繞組的利用率高,體積小;
(3)提高了整流元件承受負載的能力,輸出電流比三相橋式整流電路增加一倍,適宜于作為低電壓、大電流整流,整流效率高;
(4)整流變壓器采用不同的連接方式,可用380V或460V兩種電壓供電。
林肯焊機維修,操作電路采用交流115V電源供電,電路中串接有過流、過熱保護接點和遠控操作控制接點3CR,近控時將3CR短接,見圖1

林肯焊機DC-1500的故障診斷
1.2 控制調節系統
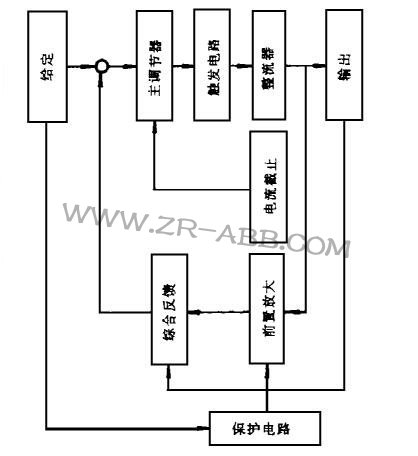
控制調節系統由控制板、觸發板和NA—5S操作箱構成。按其功能可分為給定、前置放大、綜合反饋、電流截止負反饋、主調節器、觸發電路和保護電路七大部分。圖2

一個可調的輸入信號。同時整定焊機的最大和最小輸出值。另外,由四個二極管組成的負邏輯或門電路將給定輸入電壓信號送到保護電路,當給定輸入因任一端斷線造成電位過低時,保護立即動作,將電源跳開。
1.2.2 主調節器
主調節器是將給定信號和綜合反饋信號經差動放大后,產生一個移相控制電壓來控制觸發脈沖的移相,從而控制了焊機的輸出。同時由模擬開關Q6控制,在起弧時使移相控制電壓最大,將可控硅導通角推到最小,以減少起弧時的沖擊。
1.2.3 綜合反饋電路
綜合反饋電路包括:電壓負反饋、電流負反饋、電壓微分負反饋、電流微分負反饋及電流檢測與比較電路。其作用是:
(1)穩定焊接輸出;
(2)實現焊接特性轉換和從起弧到焊接過程的自動切換。
1.2.4 前置放大器
前置放大器的作用是將焊接電流信號經差動放大以后分別送給保護電路、電流截止
圖2 焊機系統方框圖
負反饋電路和綜合反饋電路。
1.2.5 電流截止電路
該電路將前置放大器送來的電流負反饋信號與電流輸出整定信號比較后

送到主調
1.2.1 給定電路
給定電路的主要作用是為主調節器提供
文章來源,
工業機器人維修官網:www.hcwsj.cn